Вверх
Ваш город: Омск
Ваш город Омск?
Да
Другой
Адресул. 10 лет Октября, 199 Адресул. 22 апреля, 35, к.1, стр.1 Адресбульвар Архитекторов 22/5 Адресул. Сибиряков-Гвардейцев 56/6 Адресулица Сыганак, 54/2 ​​​​​​БЦ Номад Адреспр. Гашека, 1 Адресул. Омская, 48 Адресул. Рабочая, 1а
Распродажа
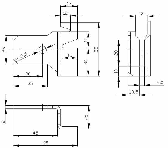
/ Каталог / Щитовое оборудование / Прочие комплектующие / Держатель шин заземления К188У2

Держатель шин заземления К188У2

Производитель: ЗЭТАРУС

Артикул: zeta50110

Характеристики

Производитель: ЗЭТАРУС
Производитель: ЗЭТАРУС

Доставка: 500 р., от 1 до 3 дней, точный срок рассчитывается при оформлении заказа
Самовывоз: бесплатно, пн-пт с 08:00 до 18:00, сб с 09:00 до 17:00

Доставка осуществляется по городу ОМСК